2.1 Modelomschrijving
Deze handleiding heeft betrekking op de volgende productmodellen:
BOLT-NBN-P100M0-215K
BOLT-NBN-P60M0-215K BOLT-NBN-P50M0-215K BOLT-NBN-P30M0-215K
BOLT-NBN-P60M0-197K BOLT-NBN-P50M0-197K BOLT-NBN-P30M0-197K
BOLT-NBN-P60M0-179K BOLT-NBN-P50M0-179K BOLT-NBN-P30M0-179K
BOLT-NBN-P60M0-161K BOLT-NBN-P50M0-161K BOLT-NBN-P30M0-161K
BOLT-NBN-P60M0-143K BOLT-NBN-P50M0-143K BOLT-NBN-P30M0-143K
BOLT-NBN-P60M0-125K BOLT-NBN-P50M0-125K BOLT-NBN-P30M0-125K
BOLT-NBN-P60M0-107K BOLT-NBN-P50M0-107K BOLT-NBN-P30M0-107K
Kenmerk Betekenis Voorbeeld 1 Serienaam BOLT 2 Batterijtype Nieuwe generatie batterijmodules 3 AC-vermogen P100 = 100 kW systeemvermogen / P60 = 60 kW / P50 = 50 kW / P30 = 30 kW 4 Energiecapaciteit 215K = 215 kWh nominaal opslagvermogen
| Kenmerk | Betekenis | Voorbeeld |
|---|---|---|
| 1 | Serienaam | BOLT |
| 2 | Batterijtype | Nieuwe generatie batterijmodules |
| 3 | AC-vermogen | P100 = 100 kW systeemvermogen / P60 = 60 kW / P50 = 50 kW / P30 = 30 kW |
| 4 | Energiecapaciteit | 215K = 215 kWh nominaal opslagvermogen |
Figuur 2-1 Modelidentificatie (voorbeeld)
2.2 Productintroductie
Het BOLT-systeem is een geïntegreerde, weerbestendige buitenkast voor energieopslag.
Het systeem combineert alle essentiële componenten in één behuizing:
Batterijmodules
BMS (Battery Management System)
PCS (Power Conversion System)
MPPT (Maximum Power Point Tracking)
Hulpspanningsvoorziening
Branddetectie- en blusinstallatie
Airconditioningsysteem
Aardingssysteem
Deze geïntegreerde opbouw maakt het BOLT-systeem geschikt voor buiteninstallaties en voldoet aan relevante normen voor veiligheid, koeling en energiebeheer.
Het systeem kan zelfstandig functioneren of worden gekoppeld binnen een groter energiesysteem (bijvoorbeeld met zonnepanelen, generatoren of netkoppeling).
2.3 Uiterlijk en afmetingen
Toelichting:
De onderstaande afbeeldingen tonen de 215 kWh- en 107 kWh-modellen als voorbeeld.
De exacte configuratie kan per model variëren. Raadpleeg de technische specificatiebladen voor details.

Figuur 2-2 Uiterlijk en afmetingen – model 215 kWh

Figuur 2-3 Uiterlijk en afmetingen – model 107 kWh
Opmerking:
De fundering van de installatieplaats moet worden ontworpen door een bevoegde ontwerper of technisch ingenieur.
Technisch personeel kan hiervoor gebruikmaken van de funderingstekening die door Boltainer wordt verstrekt.
Neem contact op met de productmanager om de meest recente funderingstekening te verkrijgen.
2.4 Onderdeelintroductie
Dit hoofdstuk beschrijft de belangrijkste componenten van de BOLT-serie, waaronder de batterijmodules, vermogensmodules, koeling, brandbeveiliging en optionele uitbreidingskasten.
De weergegeven afbeeldingen en specificaties gelden als referentie voor de 215 kWh- en 107 kWh-modellen; kleine variaties tussen uitvoeringen zijn mogelijk.

Figuur 2-4 Overzicht componenten model 215 kWh – deuren gesloten

Figuur 2-5 Overzicht componenten model 107 kWh – deuren gesloten
| Nr. | Component | Beschrijving |
|---|---|---|
| 1 | Deurslot | De kastdeur is afsluitbaar en alleen te openen met de bijgeleverde sleutel. |
| 2 | Airconditioning | Regelt de temperatuur in de kast. |
| 3 | Status-indicator | Groen = normaal, knipperend groen = stand-by, geel = waarschuwing, rood = fout (systeem uit). |
| 4 | Noodstopschakelaar | Voor het onmiddellijk uitschakelen van het systeem. |
| 5 | Batterijcompartimentdeur | Toegang voor onderhoud aan batterijmodules. |
| 6 | Elektrisch compartimentdeur | Toegang tot vermogens- en besturingsmodules. |
| 7 | HMI-venster | Afgeschermde, stof- en waterdichte bedieningseenheid. |
Tabel 2-2 Componenten bij gesloten deur
Interne componenten

Figuur 2-6 Indeling batterijmodules model 215 kWh

Figuur 2-7 Indeling batterijmodules model 107 kWh
(1) Battery module 1 | (2) Battery module 2 | (3) Battery module 3 |
(4) Battery module 4 | (5) Battery module 5 | (6) Battery module 6 |
(7) Battery module 7 | (8) Battery module 8 | (9) Battery module 9 |
(10) Battery module 10 | (11) Battery module 11 | (12) Battery module 12 |

Figuur 2-8 Componenten – vooraanzicht met open deur
| Nr. | Component | Beschrijving |
|---|---|---|
| 1 | Batterijmodule | Voor opslag van elektrische energie. |
| 2 | BMM (Battery Monitoring Module) | Module voor monitoring en gegevensverzameling per batterij. |
| 3 | Hoogspanningsbesturingskast (BMS-hoofdunit) | Controleert en bewaakt de batterijstatus in real time. |
| 4 | DC-schakelaar | Onderbreekt de batterijhoogspanning; beveiliging tegen overstroom. |
| 5 | Onderhoudsschakelaar | Schakelaar om batterijclusters tijdelijk te onderbreken tijdens onderhoud. |
| 6 | MPPT-module | Voor aansluiting van zonnepanelen (PV). |
| 7 | PCS (Power Conversion System) | Zet gelijkstroom (DC) om naar wisselstroom (AC) en omgekeerd. |
| 8 | Slimme meter (AC-zijde) | Meet de stroom en spanning aan de AC-ingang. |
| 9 | Slimme meter (belastingszijde) | Meet de stroom en spanning aan de uitgaande zijde (load). |
| 10 | Belastingsschakelaar | Verdeel- of uitschakelaar voor belastingszijde. |
| 11 | AC-hoofdschakelaar | Hoofdschakelaar voor de AC-voedingsverdeling. |
| 12 | Overspanningsbeveiliging – belastingszijde | Beschermt tegen spanningspieken aan de uitgaande zijde. |
| 13 | Beveiligingsschakelaar overspanningsbeveiliging (load) | Reservebeveiliging voor de overspanningsbeveiliging aan de belastingszijde. |
| 14 | Overspanningsbeveiliging – AC-zijde | Beschermt de AC-ingang tegen bliksem en spanningspieken. |
| 15 | Beveiligingsschakelaar overspanningsbeveiliging (AC) | Reservebeveiliging voor de AC-overspanningsbeveiliging. |
| 16 | Black-start-knop (optioneel) | Activeert het systeem handmatig bij spanningsuitval. |
| 17 | Schakelende voeding (SMPS) | Zet 230 V AC om naar 24 V DC hulpspanning. |
| 18 | AC Microautomaat (MCB 1) | Hoofdschakelaar voor de AC 220 V-verdeling. |
| 19 | AC Microautomaat (MCB 2) | Schakelaar voor AC-hulpspanningsverdeling. |
| 20 | Zekering | Beveiliging tegen kortsluiting. |
| 21 | AC Microautomaat (MCB 3) | Schakelaar voor de airconditioning. |
| 22 | DC Microautomaat (MCB 4) | Schakelaar voor 24 V DC-verdeling. |
| 23 | Servicecontactdoos | Aansluitpunt voor onderhouds- en testapparatuur. |
| 24 | Zekering | Extra beveiliging tegen kortsluiting. |
| 25 | Hulprelais | Schakelelement voor besturingssignalen. |
| 26 | Klemmenstrook | Terminalblok voor interne bedrading en aansluiting van kabelbomen. |
Tabel 2-3 Componenten – vooraanzicht met open deur

Figuur 2-9 Besturingscomponenten – vooraanzicht (open deur, detailweergave)
| Nr. | Component | Beschrijving |
|---|---|---|
| 27 | Moduskeuzeschakelaar | Draaiknop om te schakelen tussen lokale en externe (remote) besturing. |
| 28 | Start/stop-knoppen | Voor het lokaal opstarten en uitschakelen van het systeem. |
| 29 | PCB-aansluitconnectoren | Verbindingspunt tussen de interne bedrading en het printbord. |
| 30 | Schakelende voeding | 12 V DC hulpspanning voor besturing. |
| 31 | RS485-naar-TCP-module | Communicatie-omzetter tussen seriële en Ethernet-verbinding. |
| 32 | Waterdetector | Sensor voor detectie van vocht of lekkage in de kast. |
| 33 | Hulprelais | Schakelcomponent voor besturingssignalen. |
| 34 | Overspanningsbeveiliging – RS485-signaal | Bescherming tegen bliksem en overspanning op externe RS485-lijnen. |
| 35 | Netwerk-overspanningsbeveiliging (systeemcontrolepoort) | Beschermt de externe besturings-Ethernetpoort. |
| 36 | Netwerk-overspanningsbeveiliging (data-poort) | Beschermt de data-Ethernetverbinding van het systeem. |
| 37 | Netwerk-overspanningsbeveiliging (IoT-poort) | Beschermt de IoT-communicatie-Ethernetpoort. |
| 38 | RS485-communicatie-interface | Externe seriële interface voor datacommunicatie. |
| 39 | I/O-controller | Meet- en besturingseenheid voor signaalinvoer en -uitvoer. |
| 40 | Vorkheftruckopeningen | Openingen aan de onderzijde voor veilig transport van de kast. |
| 41 | HMI (Human-Machine Interface) | Bedieningseenheid voor statusweergave en lokale controle. |
| 42 | GPS-module | Locatiebepaling van de energieopslagkast. |
| 43 | IoT-module | Voor dataverzameling, opslag en OTA-updates (firmware op afstand). |
Tabel 2-4 Besturingscomponenten – vooraanzicht (open deur, detailweergave)

Figuur 2-10 Achteraanzicht met open deur – hoofdaansluitingen en beveiliging
| Nr. | Component | Beschrijving |
|---|---|---|
| 1 | Zekering PV-voeding | Beveiliging van de voeding van de PV-schakeling. |
| 2 | PV1-ingangsschakelaar | Beveiliging voor zonnepaneel-aansluiting (MPPT 1). |
| 3 | PV2-ingangsschakelaar | Beveiliging voor zonnepaneel-aansluiting (MPPT 2). |
| 4 | Hijsoog | Bevestigingspunt (4 stuks) voor het optillen van de kast. |
| 5 | Wateraansluiting | Aansluitpunt voor watertoevoer t.b.v. brandbestrijding. |
| 6 | Vorkheftruckopeningen | Openingen voor transport met heftruck. |
| 7 | Aftapkraan brandblusvoorziening | Aftapkraan voor het aftappen van bluswater. |
Tabel 2-5 Componenten – achteraanzicht met open deur (model 215 kWh)

Figuur 2-11 Achteraanzicht (detail) – PV-ingangen en overspanningsbeveiliging
| Nr. | Component | Beschrijving |
|---|---|---|
| 1 | Zekering | Reserve- of back-upbeveiliging voor PV-overspanningsbeveiliging. |
| 2 | PV-overspanningsbeveiliging (MPPT 2) | Beschermt de PV-ingang tegen bliksem en piekspanningen. |
| 3 | Zekering | Reserve- of back-upbeveiliging voor PV-bliksembeveiliging. |
| 4 | PV-overspanningsbeveiliging (MPPT 1) | Beschermt de PV-ingang tegen bliksem en overspanning. |
Tabel 2-6 Componenten – achteraanzicht (detailweergave)
2.4.1 Batterijmodule
De batterijmodule vormt de kern van het BOLT-systeem en dient voor de opslag en afgifte van elektrische energie.
Elke module bestaat uit lithium-ijzerfosfaatcellen (LiFePO₄) die in serie en parallel zijn geschakeld. De modules zijn voorzien van geïntegreerde BMS-sensoren (Battery Monitoring System) voor spannings-, stroom- en temperatuurbewaking.

Figuur 2-12 Uiterlijk van de batterijmodule
Tabel 2-7 Technische specificaties van de batterijmodule
| Parameter | Specificatie |
|---|---|
| Nominale spanning | 64 V |
| Nominale capaciteit | 280 Ah / 17 920 Wh |
| Afmetingen (W×D×H) | 378 × 985 × 260 mm |
| Gewicht | 150 kg |
| Configuratie | 1P20S (één parallelle string van 20 cellen in serie) |
| Standaard laadstroom | 140 A |
| Standaard ontlaadstroom | 140 A |
| Eindlaadspanning per cel | 3,6 V |
| Eindontlaadspanning per cel | 2,8 V |
| Bedrijfstemperatuur | Laden: 0 °C ~ +60 °C Ontladen: −30 °C ~ +60 °C |
| Opslagtemperatuur | Korte termijn (< 1 maand): −20 °C ~ +45 °C (SOC 20–60%) Langdurig (< 1 jaar): 0 °C ~ +35 °C (SOC 30–60%) |
| Opslagvochtigheid | 5 % ~ 95 % RH (geen condensatie) |
| Langdurige opslagvereisten | Om de 6 maanden één laad/ontlaadcyclus uitvoeren en de batterij daarna opladen tot ongeveer 25 % SOC. |
Algemene toelichting
De batterijmodules zijn gemonteerd in het batterijcompartiment van de kast en elektrisch in serie geschakeld tot één batterijstring.
Elke module is voorzien van temperatuursensoren, spanningsdetectie en communicatiekabels naar de BMM.
Tijdens onderhoud of vervanging mag de module uitsluitend worden bediend door gekwalificeerd personeel.
Om optimale prestaties en levensduur te behouden, moeten de modules worden gebruikt binnen de gespecificeerde temperatuur- en spanningslimieten.
De BMS bewaakt voortdurend celbalans, spanning, stroom en temperatuur om veilige werking te garanderen.
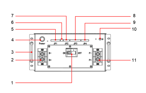
2.4.2 Hoogspanningsbesturingskast
De hoogspanningsbesturingskast vormt het centrale elektrische knooppunt tussen de batterijmodules en de omvormer (PCS).
Deze kast bewaakt en beheert de hoogspanningskring van het systeem, en zorgt voor veilige spanningsscheiding, communicatie, en beschermingsfuncties.
Alle aansluitingen en componenten zijn ontworpen voor eenvoudig onderhoud en maximale bedrijfsveiligheid.

Figuur 2-13 Uiterlijk van de hoogspanningsbesturingskast
Tabel 2-8 Onderdelen van de hoogspanningsbesturingskast
| Nr. | Onderdeel | Beschrijving |
|---|---|---|
| 1 | DC-schakelaar | Schakelt en beveiligt de DC-hoogspanningslijn van de batterij. |
| 2 | B+ / B− klemmen | Hoofdaansluitpunten voor de positieve en negatieve pool van het batterijcluster. |
| 3 | Handgreep | Trekhandgreep om de kast veilig uit het batterijcompartiment te schuiven. |
| 4 | Indicatie-led | Toont de voedingsstatus van de kast (ingeschakeld/uit). |
| 5 | JP1 | RS485- en CAN-communicatie-interface voor koppeling met BMS of PCS. |
| 6 | DIP-schakelaar | Voor het instellen van terminatieweerstanden op de RS485/CAN-bus. |
| 7 | JP2 | Communicatiebus naar de BMM (Battery Monitoring Module). |
| 8 | JP3 | Aansluiting voor 24 V DC-voeding, statusled en sturing van de brandbeveiligingsklep. |
| 9 | JP4 | Aansluiting voor onderhoudsschakelaar, tussencontactor en noodstopinvoer. |
| 10 | Aardingspunt | Grondingsaansluiting van de hoogspanningskast. |
| 11 | P+ / P− klemmen | DC-aansluitingen aan de zijde van de PCS (Power Conversion System). |
Tabel 2-9 Technische specificaties van de hoogspanningsbesturingskast
| Parameter | Specificatie |
|---|---|
| Nominale spanning | DC 1000 V |
| Nominale stroom | 150 A |
| Voedingsspanning | DC 24 V |
| Afmetingen (B×D×H) | 388 × 440 × 180 mm |
| Beschermingsgraad | IP20 |
| Bedrijfstemperatuur | −20 °C ~ +55 °C |
| Maximale hoogte (boven zeeniveau) | ≤ 2000 m |
Toelichting
De hoogspanningsbesturingskast maakt deel uit van het batterijcompartiment en is via beveiligde connectoren gekoppeld aan de batterijmodules en het PCS.
Het systeem voert automatische isolatie- en spanningsdetectie uit bij inschakeling en controleert de DC-bus continu.
Tijdens onderhoud moet de DC-schakelaar worden uitgeschakeld en vergrendeld om onbedoelde inschakeling te voorkomen.
Alleen bevoegde technici mogen verbindingen wijzigen of bedrading controleren binnen de hoogspanningskast.
2.4.3 Vermogensmodules
De vermogensmodules vormen het hart van het energiesysteem en zijn verantwoordelijk voor het omzetten en regelen van gelijk- en wisselspanning.
Ze zorgen voor een stabiele werking van het BOLT-systeem, ongeacht of het systeem energie opslaat, levert aan het net of off-grid functioneert.
Het BOLT-systeem bevat de volgende vermogensmodules:
PCS – Power Conversion System (AC/DC-omzetter)
DCDC-module – Laad/ontlaadomzetter tussen batterij en DC-bus
MPPT-module – Maximum Power Point Tracker voor PV-aansluiting
2.4.3.1 Power Conversion System (PCS)
De PCS-module bestuurt het laad- en ontlaadproces van de lithium-ionbatterij.
Ze zet wisselstroom (AC) om naar gelijkstroom (DC) tijdens het opladen en DC naar AC tijdens het ontladen.
Bij een netuitval kan de PCS de AC-belasting rechtstreeks voeden.
De module bestaat uit een bi-directionele DC/AC-omvormer en een besturingseenheid.
De controller ontvangt opdrachten via het EMS (Energy Management System) en regelt actief en reactief vermogen op basis van de bedrijfsstrategie.

Figuur 2-14 Uiterlijk PCS (vooraanzicht, stofkap verwijderd)

Figuur 2-15 Voorkant van de PCS-module

Figuur 2-16 Achterkant van de PCS-module
Onderdelen:
| (1) LED-statusindicator | (2) Communicatieweerstands-DIP-schakelaar | (3) RJ45-communicatiepoort |
(4) BMS- en overige communicatie-interfaces | (5) Stofkap | (6) Parallelle communicatie-interface |
| (7) DI/DO-signaal- en modulecommunicatie-aansluiting | (8) Ingangs- en uitgangsterminals | (9) PE-aansluitplaat |
Tabel 2-10 Technische specificaties van de PCS
| Model | MA1000K30 | MA1000K60 |
|---|---|---|
| DC-parameters | ||
| Maximale spanning [VDC] | 1000 | 1000 |
| Nominale spanning [VDC] | 800 | 800 |
| Batterijspanningsbereik [VDC] | 680 – 1000 | 680 – 1000 |
| Max. laad/ontlaadstroom [ADC] | 44 | 88 |
| AC-ingangsparameters | ||
| Max. schijnbaar ingangsvermogen [kVA] | 30 | 60 |
| Max. actief ingangsvermogen [kW] | 30 | 60 |
| Nominale spanning [VAC] | 230/400 V (3P + N + PE) | 230/400 V (3P + N + PE) |
| Max. continue stroom [AAC] | 43 | 86 |
| Nominale frequentie [Hz] | 50 | 50 |
| AC-uitgangsparameters | ||
| Nominale spanning [VAC] | 230/400 V (3P + N + PE) | 230/400 V (3P + N + PE) |
| Nominale frequentie [Hz] | 50 | 50 |
| Max. continue uitgangsstroom [AAC] | 43 | 86 |
| Max. actief uitgangsvermogen [kW] | 30 | 60 |
| Max. schijnbaar uitgangsvermogen [kVA] | 30 | 60 |
| Ongebalanceerde belasting | 100 % | 100 % |
| Overbelastingscapaciteit | 110 % 1 min / 120 % 5 s | 110 % 1 min / 120 % 5 s |
| Vermogensfactor | 0,8 ind – 0,8 cap | 0,8 ind – 0,8 cap |
| Algemeen | ||
| Bedrijfstemperatuur [°C] | −30 ~ +60 (> 45 °C derating) | −30 ~ +60 (> 45 °C derating) |
| Beschermingsgraad | IP20 | IP20 |
| Toelaatbare hoogte [m] | ≤ 3000 | ≤ 3000 |
| Max. efficiëntie | 98,5 % | 98,5 % |
| AC/DC-startfunctie | Ondersteund | Ondersteund |
| Afmetingen (B×D×H) [mm] | 436 × 550 × 130 | 436 × 550 × 130 |
| Gewicht [kg] | 25 | 28 |
| Communicatie | ||
| BMS-interface | CAN, RS485 | CAN, RS485 |
| EMS-interface | Ethernet, RS485 | Ethernet, RS485 |
| EMS-protocol | Modbus TCP / Modbus RTU | Modbus TCP / Modbus RTU |
| Algemene I/O | 3 DI, 2 DO | 3 DI, 2 DO |
Toelichting
De PCS ondersteunt zowel grid-tied als off-grid werking en kan actief vermogen, reactief vermogen en vermogensfactor regelen.
Wanneer de netspanning uitvalt, schakelt de PCS automatisch over naar eilandbedrijf om de aangesloten belasting van stroom te voorzien.
De communicatie met EMS en BMS gebeurt via Modbus TCP of RS485/CAN-bus.
Voor onderhoud of installatie moet de DC-voeding worden losgekoppeld en het systeem spanningsvrij worden gemaakt.
2.4.3.2 DC/DC-module
De DC/DC-module wordt gebruikt voor spanningsconversie binnen het DC-gedeelte van het systeem.
Ze zet de ingangsspanning van de batterij om naar een geschikte uitgangsspanning voor de DC-bus en het laad-/ontlaadcircuit.
De module ondersteunt bidirectionele conversie, zodat energie zowel naar de batterij als naar het systeem kan stromen.
Wanneer minder dan 12 batterijmodules worden toegepast, wordt de DC/DC-module af-fabriek voorgemonteerd.

Figuur 2-17 Vooraanzicht DC/DC-module (zonder stofkap)

Figuur 2-18 Voorkant DC/DC-module

Figuur 2-19 Achterzijde 30 kW DC/DC-module

Figuur 2-20 Achterzijde 60 kW DC/DC-module
| (1) LED-statusindicator | (2) Communicatieweerstands-DIP-schakelaar | (3) DI/DO-signaal- en communicatie-interface |
| (4) Parallelle communicatie-interface | (5) Stofkap | (6) Ingangs- en uitgangsterminals |
Tabel 2-11 Technische specificaties van de DC/DC-module
| Model | MD1000K30 | MD1000K60 |
|---|---|---|
| Laagspanningszijde | ||
| Maximale spanning [VDC] | 900 | 900 |
| Nominale spanning [VDC] | 350 | 350 |
| Batterijspanningsbereik [VDC] | 200 – 900 | 200 – 900 |
| Max. laad/ontlaadvermogen [kW] | 30 | 60 |
| Max. laad/ontlaadstroom [ADC] | 100 | 200 |
| Hoogspanningszijde | ||
| Nominale spanning [VDC] | 800 | 800 |
| Spanningsbereik [VDC] | 350 – 1000 | 350 – 1000 |
| Max. continue stroom [ADC] | 50 | 100 |
| Max. continue vermogen [kW] | 30 | 60 |
| Algemeen | ||
| Bedrijfstemperatuur [°C] | −30 ~ +60 (> 45 °C derating) | −30 ~ +60 (> 45 °C derating) |
| Beschermingsgraad | IP20 | IP20 |
| Max. hoogte [m] | ≤ 3000 | ≤ 3000 |
| Max. efficiëntie | 98,5 % | 98,5 % |
| Startfunctie (Hoog/Laagspanning) | Ondersteund | Ondersteund |
| Afmetingen (B×D×H) [mm] | 436 × 550 × 130 | 436 × 550 × 130 |
| Gewicht [kg] | 25 | 28 |
Toelichting
De DC/DC-module zorgt voor spanningsstabilisatie tussen batterij- en systeemzijde, wat essentieel is voor veilig laden en ontladen.
De module is voorzien van interne beveiligingen tegen overstroom, overspanning en overtemperatuur.
Communicatie verloopt via de RS485- of CAN-interface met het BMS en EMS.
Bij onderhoud of vervanging moet de module spanningsvrij worden gemaakt en door gekwalificeerd personeel worden behandeld.
2.4.3.3 MPPT-module (Maximum Power Point Tracker)
De MPPT-module (Maximum Power Point Tracker) wordt gebruikt voor het aansluiten van fotovoltaïsche (PV) systemen op de BOLT-installatie.
Ze zorgt ervoor dat het PV-systeem continu op het optimale vermogenspunt werkt, zodat de opgewekte zonne-energie met maximale efficiëntie wordt benut voor het laden van de batterij.
De module regelt de laadstroom en spanning automatisch op basis van de actuele instraling en temperatuur van de zonnepanelen.

Figuur 2-21 Vooraanzicht MPPT-module (zonder stofkap)

Figuur 2-22 Voorkant MPPT-module

Figuur 2-23 Achterzijde 30 kW MPPT-module

Figuur 2-24 Achterzijde 60 kW MPPT-module
| (1) LED-statusindicator | (2) Communicatieweerstands-DIP-schakelaar | (3) DI/DO-signaal- en communicatie-interface |
| (4) Parallelle communicatie-interface | (5) Stofkap | (6) Ingangs- en uitgangsterminals |
Tabel 2-12 Technische specificaties van de MPPT-module
| Model | MPPT30A | MPPT60A |
|---|---|---|
| PV-ingang (laagspanningszijde) | ||
| Maximale spanning PV-array [VDC] | 1000 | 1000 |
| Max. invoervermogen [kW] | 30 | 60 |
| MPPT-spanningsbereik [VDC] | 200 – 850 | 200 – 850 |
| Aantal MPPT-ingangen | 1 | 1 |
| Aantal PV-ingangen | 1 | 1 |
| Max. ingangsstroom [ADC] | 100 | 200 |
| DC-uitgang (hoogspanningszijde) | ||
| Max. spanning [VDC] | 1000 | 1000 |
| Nominale spanning [VDC] | 800 | 800 |
| Spanningsbereik [VDC] | 350 – 1000 | 350 – 1000 |
| Max. continue stroom [ADC] | 50 | 100 |
| Max. continue vermogen [kW] | 30 | 60 |
| Algemeen | ||
| Bedrijfstemperatuur [°C] | −30 ~ +60 (> 45 °C derating) | −30 ~ +60 (> 45 °C derating) |
| Beschermingsgraad | IP20 | IP20 |
| Max. hoogte [m] | ≤ 3000 | ≤ 3000 |
| Max. efficiëntie | 98,5 % | 98,5 % |
| Startfunctie hoog-/laagspanning | Ondersteund | Ondersteund |
| Afmetingen (B×D×H) [mm] | 436 × 550 × 130 | 436 × 550 × 130 |
| Gewicht [kg] | 25 | 28 |
Toelichting
De MPPT-module optimaliseert het laadvermogen vanuit PV-panelen, ook bij wisselende instraling of temperatuur.
De module kan automatisch samenwerken met het EMS-systeem om overschotten van zonne-energie efficiënt in de batterij op te slaan.
Bij onderhoud of vervanging moet de DC-voeding worden losgekoppeld; alle werkzaamheden dienen te worden uitgevoerd door bevoegd technisch personeel.
De communicatie met het EMS gebeurt via RS485 of Modbus TCP.
Het airconditioningsysteem regelt de temperatuur in het batterijcompartiment en zorgt ervoor dat de batterijmodules binnen hun optimale bedrijfstemperatuur blijven.
Een stabiele temperatuur is essentieel om de prestaties, efficiëntie en levensduur van het BOLT-systeem te garanderen.
Het aircosysteem is ontworpen voor buiteninstallatie en kan zowel koelen als verwarmen (optioneel), afhankelijk van de omgevingstemperatuur.

Figuur 2-25 Uiterlijk van het airconditioningsysteem
Tabel 2-13 Technische specificaties van het airconditioningsysteem
| Technische parameter | EC30HDNC1C |
|---|---|
| Afmetingen (H × B × D) | 746 × 446 × 300 mm |
| Afmetingen inclusief flens (H × B × D) | 783 × 483 × 300 mm |
| Gewicht | 48 kg |
| Montagemethode | Deurmontage |
| Toepassingsomgeving | Buitenopstelling |
| Werktemperatuurbereik | −40 °C ~ +55 °C |
| Geluidsniveau (binnenzijde) | 65 dB |
| Beschermingsgraad | IP55 |
| Koelmiddel | R134a |
| RoHS 2-conformiteit | Ja |
| Koelvermogen (L35) | 3000 W |
| Verwarming (optioneel) | 1000 W |
| Ingangsvermogen koeling (L35) | 1200 W |
| Ingangsstroom koeling (L35) | 5,7 A |
| Luchtcirculatievolume (intern) | 850 m³/h |
| Maximale bedrijfsstroom | 9,7 A |
| Voedingsspanning | 220 V ±15 %, 50/60 Hz |
| Nominale voedingsspanning (regelaar) | 220 V, 50/60 Hz |
| Nominale voedingsspanning (koel-/verwarmingssysteem) | 220 V, 50/60 Hz |
Toelichting
Het airconditioningsysteem start automatisch op basis van de gemeten temperatuur in het batterijcompartiment.
De temperatuurregeling is geïntegreerd in het EMS (Energy Management System) voor optimale bedrijfscoördinatie.
De condensafvoer moet vrij blijven om vochtophoping in het batterijcompartiment te voorkomen.
Regelmatige inspectie van de luchtinlaatfilters wordt aanbevolen om een goede luchtcirculatie te behouden.
Bij onderhoud of vervanging dient de voeding te worden uitgeschakeld en het systeem spanningsvrij gemaakt.
2.4.5 Brandbeveiligingssysteem
Het brandbeveiligingssysteem is ontworpen om vroegtijdig brandgevaar in het batterijcompartiment te detecteren en automatisch te reageren om schade te voorkomen.
Het systeem combineert rookdetectie, gasdetectie, en een automatisch blussysteem (met PERFLUORO-blusmiddel).
De combinatie van deze componenten waarborgt maximale veiligheid tijdens bedrijf en onderhoud van de BOLT-installatie.

Figuur 2-26 Brandbeveiligingssysteem van het 215 kWh-model

Figuur 2-27 Brandbeveiligingssysteem van het 107 kWh-model
Componenten
| (1) Rooksensoren | (2) Brandbare-gasdetectoren | (3) PEFLUORO-blusapparaten |
Werking van het systeem
Het brandbeveiligingssysteem bestaat uit twee rookdetectoren en één gasdetector per batterijcompartiment.
Wanneer één rookdetector wordt geactiveerd, stuurt het systeem een waarschuwingsmelding.
Wanneer beide rookdetectoren worden geactiveerd, of één rookdetector én de celtemperatuur hoger is dan 60 °C, stopt het systeem onmiddellijk en wordt het blussysteem geactiveerd.
Wanneer de gasconcentratie boven de ingestelde grenswaarde komt, stopt het systeem automatisch en wordt een foutmelding weergegeven.
De automatische uitschakeling van het systeem stopt alle laad-/ontlaadactiviteiten en activeert het interne PERFLUORO-blusapparaat, dat snel gas vrijgeeft om de brand te onderdrukken en de temperatuur te verlagen.
2.4.5.1 Niet-onder druk staand gasblussysteem
Het geïntegreerde PERFLUORO-blussysteem is een niet-onder druk staand systeem dat bij activering een elektrisch gestuurde gasontlading uitvoert.
Het blusmiddel is elektrisch isolerend, milieuvriendelijk en effectief bij het snel onderdrukken van branden in gesloten compartimenten.

Figuur 2-28 PERFLUORO-blusinstallatie
Onderdelen:
(1) Bluscilinder | (2) Nozzle-assemblage |
Bedrijfsprincipe
De rook- of gasdetector stuurt een alarmsignaal naar de brandmeldcentrale.
De centrale activeert een elektrische ontsteker in de bluscilinder.
De ontsteking genereert gasdruk, waardoor de piston beweegt en de sluitplaat breekt.
Het PERFLUORO-blusgas wordt via de nozzle vrijgegeven en verspreidt zich in het batterijcompartiment, waardoor de brand wordt gedoofd en verdere temperatuurstijging wordt voorkomen.
Tabel 2-14 Technische specificaties van het PERFLUORO-blussysteem
| Technische specificatie | Waarde |
|---|---|
| Opslagdruk (20 °C) | 0 bar |
| Startmethode | Elektrisch |
| Startspanning/-stroom | DC 12–24 V / 1,2 A |
| Reactietijd | ≤ 1 s |
| Spuitduur | 6–10 s |
| Werktemperatuur | −40 °C ~ +60 °C |
| Alarminterface | Droogcontact-terugmelding |
| Afmetingen (L×B×H) | 596 × 75 × 75 mm |
2.4.5.2 Rooksensor
De rooksensor bewaakt continu de luchtkwaliteit in het batterijcompartiment en detecteert verbrandingsdeeltjes in een vroeg stadium.
Bij detectie van rook activeert de sensor de visuele en akoestische alarmfuncties en stuurt een signaal naar de brandbeveiligingscontroller.

Figuur 2-29 Uiterlijk van de rooksensor
Tabel 2-15 Indicaties van de rooksensor
| Lampkleur | Status | Betekenis |
|---|---|---|
| Rood | Continu aan | Alarmstatus (rook gedetecteerd) |
| Rood | Knippert 1× per 6 s | Normale bedrijfsstatus |
| Rood | Knippert 2× per 6 s | Foutstatus of storing |
Tabel 2-16 Technische specificaties van de rooksensor
| Parameter | Specificatie |
|---|---|
| Werkspanning | DC 9 – 30 V (nominaal 12 V) |
| Ruststroom | < 5 mA |
| Alarmstroom | < 35 mA |
| Uitgangstype | Relaisuitgang |
| Bedrijfstemperatuur | −10 °C ~ +65 °C |
| Luchtvochtigheid | < 95 % RH (zonder condensatie) |
2.4.5.3 Waterblussysteem
Het waterblussysteem fungeert als noodvoorziening en wordt uitsluitend geactiveerd door gekwalificeerd personeel.
De aansluiting bevindt zich aan de achterzijde van de kast en maakt het mogelijk om water in het batterijcompartiment te injecteren in geval van brand.
Let op:
Het watersysteem mag uitsluitend worden aangesloten in noodgevallen.
De afvoerklep moet worden geopend nadat de waterblusaansluiting is gebruikt.
Plaats de waterleidingen altijd achter de kast.

Figuur 2-30 Waterblussysteem – 215 kWh-model

Figuur 2-31 Waterblussysteem – 107 kWh-model
Onderdelen:
| (1) Water- en brandblusaansluiting | (2) Afvoerklep |
Toelichting
Gebruik uitsluitend waterleidingen die voldoen aan de lokale brandveiligheidsvoorschriften.
Controleer de afsluiters regelmatig om vastzitten of corrosie te voorkomen.
Na gebruik moet het systeem worden geïnspecteerd en indien nodig opnieuw worden getest door geautoriseerd personeel.
2.4.6 EMS Box (optioneel)
De EMS Box (Energy Management System) vormt het lokale bedienings- en monitoringscentrum van het BOLT-energiesysteem.
De module is ontworpen om data te verzamelen, op te slaan en weer te geven, en biedt controle over de werking van het systeem.
De EMS Box wordt doorgaans toegepast in installaties met meerdere energiebronnen (zoals zonnepanelen, windturbines of generatoren) en één of meer BOLT-batterijopslagsystemen.
Het systeem optimaliseert lokaal het energieverbruik, de opslag en teruglevering, en communiceert met externe platforms via gestandaardiseerde protocollen.

Figuur 2-32 Uiterlijk van de EMS Box
Tabel 2-17 Onderdelen van de EMS Box
| Nr. | Onderdeel | Beschrijving |
|---|---|---|
| 1 | EMS Box | Bevat de hoofdcontroller en communicatiehardware |
| 2 | Display | Toont de actuele systeemstatus en instellingen |
Tabel 2-18 Technische specificaties van de EMS Box
| Parameter | Specificatie |
|---|---|
| Functies | Piek-/dalsturing, vermogensreserves, PV-vereffening |
| Gebruikersinterface | Display en Ethernet-interface |
| Communicatie-interface | 1× Ethernet |
| Communicatieprotocollen | Modbus TCP |
| Voedingsspanning | DC 12 V |
| Bedrijfstemperatuur | −20 °C ~ +55 °C |
| Maximale hoogte | ≤ 2000 m |
| Relatieve luchtvochtigheid | 5 % – 95 % |
| Beschermingsgraad | IP21 |
| Afmetingen (B×H×D) | 320 × 500 × 60 mm |
| Gewicht | 9,3 kg |
| Montage | Binnenopstelling, wandmontage |
Toelichting
De EMS Box verzamelt en beheert realtime data van het BOLT-systeem en externe apparaten via Modbus TCP.
Via het geïntegreerde display kunnen installateurs of beheerders parameters instellen en de bedrijfsstatus monitoren.
De EMS Box ondersteunt software-updates en remote access via het Boltainer-netwerk.
Voor uitgebreide configuratie en onderhoud: raadpleeg de afzonderlijke EMS-gebruikershandleiding.
2.4.7 PowerHub (optioneel)
De PowerHub is een intelligente AC-verdeelkast die wordt gebruikt voor de stroomconvergentie en gecentraliseerde besturing van meerdere BOLT-energiesystemen.
Deze module vormt de schakel tussen de energieopslagsystemen (BESS) en het elektriciteitsnet, en zorgt voor een veilige en efficiënte vermogensverdeling.
De PowerHub is ontworpen voor installaties waar meerdere batterijkasten parallel zijn verbonden en gezamenlijk het net voeden of ontlasten.
Het systeem ondersteunt zowel handmatige als geautomatiseerde controle via het EMS en biedt uitgebreide beveiligings- en communicatiefunctionaliteit.

Figuur 2-33 Uiterlijk van de PowerHub
Tabel 2-19 Technische specificaties van de PowerHub
| Model | PowerHub-600P | PowerHub-400P | PowerHub-240P |
|---|---|---|---|
| AC-zijde parameters | |||
| Nettype | 3P4W | 3P4W | 3P4W |
| Nominaal laad-/ontlaadvermogen (kW) | 600 | 400 | 240 |
| Aantal BESS-aansluitingen | 6 | 4 | 2 |
| Nominaal vermogen per aansluiting (kW) | 100 | 100 | 100 |
| Nominale stroom per aansluiting (A) | 144 | 144 | 144 |
| Nominale netspanning (V) | 400 | 400 | 400 |
| Frequentie (Hz) | 50/60 | 50/60 | 50/60 |
| Nominale stroom (A) | 866 | 577 | 346 |
| Algemene parameters | |||
| Afmetingen (B×H×D) [mm] | 800 × 2100 × 870 | 800 × 2100 × 870 | 800 × 2100 × 870 |
| Maximale massa (kg) | 400 | 400 | 400 |
| Beschermingsgraad | IP54 | ||
| Koeling | Ventilatorgekoeld | ||
| Corrosiebeschermingsniveau | C3 | ||
| Relatieve luchtvochtigheid | 0–95 % (zonder condensatie) | ||
| Werktemperatuurbereik | −20 °C ~ +50 °C | ||
| Max. installatiehoogte | < 2000 m | ||
| Geluidsniveau | ≤ 75 dB | ||
| Aardbevingsbestendigheid | 8 graden (IEC 60980) | ||
| Bliksembeveiliging | Ondersteund | ||
| Lekstroombeveiliging | Ondersteund | ||
| Communicatie-interface | RS485, Ethernet | ||
| Communicatieprotocol | Modbus RTU, Modbus TCP/IP |
Toelichting
De PowerHub centraliseert de aansluiting van meerdere BOLT-systemen op het net en bewaakt de fase- en stroombalans.
De geïntegreerde beveiligingen beschermen tegen overspanning, overbelasting, kortsluiting en lekstroom.
Communicatie met het EMS-systeem verloopt via Modbus TCP/IP of RS485.
Dankzij de modulaire structuur kan het systeem worden opgeschaald naargelang het aantal geïnstalleerde BOLT-kasten.
De PowerHub is geschikt voor buitenopstelling en voldoet aan IP54-bescherming tegen stof en water.
2.4.8 PCC On/Off-grid Switching Cabinet (optioneel)
De PCC On/Off-grid Switching Cabinet (Point of Common Coupling) wordt gebruikt om automatisch te schakelen tussen on-grid en off-grid bedrijfsmodi van het BOLT-energiesysteem.
Deze kast zorgt voor een betrouwbare koppeling tussen meerdere energieopslagcabines, het net en lokale belastingen, en biedt bescherming tegen abnormale netcondities.
De PCC-schakelkast ondersteunt automatische, handmatige en EMS-gestuurde omschakeling en is uitgerust met uitgebreide beveiligingsfuncties zoals overspanning-, onderspanning-, overfrequentie-, en overtemperatuurbescherming.

Figuur 2-34 Uiterlijk van de PCC On/Off-grid Switching Cabinet
Functieoverzicht
Automatische netkoppeling en ontkoppeling bij netstoringen of onderhoud
Naadloze omschakeling tussen netbedrijf en eilandbedrijf (off-grid)
Synchronisatie met meerdere PCS-eenheden (Power Conversion Systems)
Continue monitoring van netstatus en belastingscondities
Communicatie met EMS via RS485, CAN, of digitale signalen
Tabel 2-20 Technische specificaties van de PCC On/Off-grid Switching Cabinet
| Model | PCC-75K | PCC-125K | PCC-250K | PCC-375K |
|---|---|---|---|---|
| Algemene parameters | ||||
| Nominaal vermogen | 120 kW | 200 kW | 400 kW | 600 kW |
| Bedradingstype | 3P4W + PE | 3P4W + PE | 3P4W + PE | 3P4W + PE |
| Nominale spanning | AC 400 V | AC 400 V | AC 400 V | AC 400 V |
| Spanningsbereik | AC 400 V ± 15 % | AC 400 V ± 15 % | AC 400 V ± 15 % | AC 400 V ± 15 % |
| Nominale frequentie | 50/60 Hz | 50/60 Hz | 50/60 Hz | 50/60 Hz |
| Frequentiebereik | 50/60 Hz (±2.5 %) | 50/60 Hz (±2.5 %) | 50/60 Hz (±2.5 %) | 50/60 Hz (±2.5 %) |
| Langdurige overbelastingscapaciteit | 110 % | 110 % | 110 % | 110 % |
| Omschakeltijden | ||||
| Automatische Off → On-grid omschakeltijd | 13–24 ms | 25–42 ms | 33–58 ms | 40–65 ms |
| Automatische On → Off-grid omschakeltijd | 5–17 ms | 18–34 ms | 28–46 ms | 33–50 ms |
| Stroomparameters | ||||
| Nominale uitgangsstroom | 86 A | 172 A | 344 A | 516 A |
| Maximale toegestane stroom | 100 A | 200 A | 400 A | 600 A |
| Efficiëntie & beveiliging | ||||
| Maximale efficiëntie | 99 % | |||
| Automatische beveiligingen | Netoverspanning, onderspanning, overfrequentie, onderfrequentie, overtemperatuur, noodstop, uitgangsoverbelasting | |||
| Isolatietransformator | Ja | |||
| Omgevingsspecificaties | ||||
| Beschermingsgraad | IP54 (geschikt voor buitenopstelling) | |||
| Koelmethode | Geforceerde luchtkoeling | |||
| Corrosiebescherming | C3 | |||
| Werktemperatuurbereik | −20 °C ~ +50 °C | |||
| Relatieve luchtvochtigheid | 0–95 % (zonder condensatie) | |||
| Werkhoogte | < 2000 m | |||
| Geluidsniveau | ≤ 75 dB | |||
| Afmetingen (B×D×H) | 850×900×2100 mm | 1100×900×2100 mm | 1100×900×2100 mm | 1100×900×2100 mm |
| Maximale massa | 900 kg | 1600 kg | 1600 kg | 1600 kg |
| Interfaces | ||||
| Netinvoer | 1 | |||
| PCS-aansluitingen | 1 | 1 | 2 | 3 |
| Belastingsaansluiting | 1 | |||
| Communicatie | 1×RS485, 1×CAN, 1×Off-grid signaal | |||
| Communicatieprotocol | Modbus RTU, CAN 2.0B |
Toelichting
De PCC-schakelkast zorgt voor stabiele en veilige koppeling tussen de energieopslagsystemen en het net.
De automatische omschakeling voorkomt spanningsonderbreking bij netstoringen of onderhoudswerkzaamheden.
Door de geïntegreerde isolatietransformator worden overspanningen en aardfouten effectief geïsoleerd.
Dankzij het IP54-ontwerp is de kast geschikt voor buiteninstallaties.
De Modbus RTU en CAN 2.0B communicatieprotocollen zorgen voor eenvoudige integratie met EMS- en SCADA-systemen.
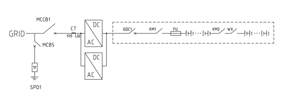
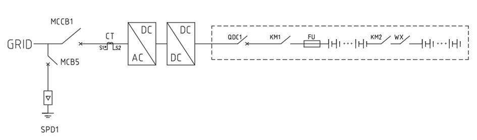
2.5 Elektrisch Systeem
Het elektrische systeem van de BOLT-serie is ontworpen om een veilige, efficiënte en flexibele werking te garanderen binnen zowel on-grid als off-grid toepassingen.
Het systeem bestaat uit meerdere geïntegreerde elektrische onderdelen die samenwerken voor energiedistributie, stroomconversie, beveiliging, en communicatie tussen de modules.
2.5.1 Systeemstructuur
De elektrische architectuur van de BOLT-serie is modulair opgebouwd.
Elke kast bevat eigen vermogensmodules (PCS / DCDC / MPPT) en is via de PowerHub of PCC-schakelkast gekoppeld aan het net of de lokale belasting.
De hoofdcomponenten binnen het elektrisch systeem zijn:
DC-zijde: batterijmodules, BMS, HV-controlling box, DCDC-module en beveiligingscomponenten.
AC-zijde: PCS, AC-verdeelkast, slimme meters, PowerHub of PCC-schakelkast.
Hulpsystemen: airconditioning, branddetectie en de EMS Box voor dataverwerking en controle.
De DC- en AC-secties zijn elektrisch gescheiden en voldoen aan internationale veiligheidsnormen (CE, IEC 62933, NFPA 855).

Figuur 2-35 Overzicht van de elektrische systeemstructuur
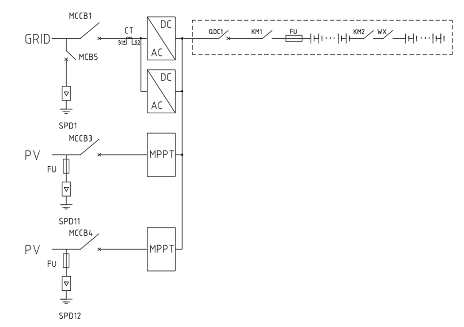
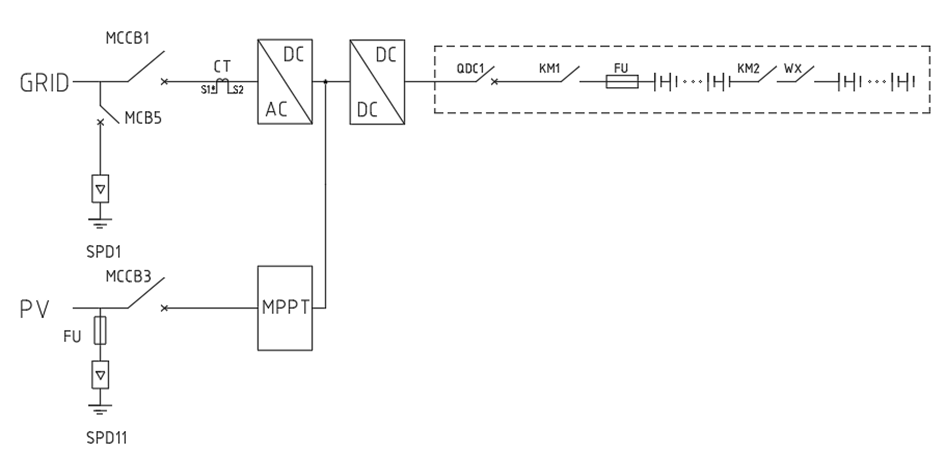
2.5.2 Aansluitstructuur
De BOLT-systemen gebruiken een gescheiden DC- en AC-bekabeling om elektromagnetische interferentie te minimaliseren.
De hoofdaansluitingen worden gemaakt via verzegelde kabelinvoeren met metalen wartels voor een IP54-afdichting.

Figuur 2-36 AC- en DC-bekabelingsschema
| Type aansluiting | Omschrijving |
|---|---|
| AC-uitgang | Verbindt de PCS met het elektriciteitsnet of de PowerHub. |
| DC-ingang | Verbindt de batterijmodules met de HV-controlling box of DCDC-module. |
| Communicatiekabels | RS485 of Ethernet voor EMS- en monitoringverbindingen. |
| Aarding | Gekoppeld aan de kaststructuur via M8-aansluiting; vereist lokale potentiaalvereffening. |
| Beveiliging | Elk circuit is uitgerust met zekeringen, aardlek- en overspanningsbeveiliging. |
Let op:
Alle aansluitingen moeten worden uitgevoerd door gekwalificeerd personeel.
Verkeerd aangesloten kabels kunnen leiden tot schade aan apparatuur of veiligheidsrisico’s.
2.5.3 Aardings- en potentiaalvereffening
De aardingsstructuur van het BOLT-systeem zorgt voor de afvoer van lekstromen en bescherming tegen blikseminslag of overspanning.
Elke kast bevat een hoofd-aardingspunt dat verbonden is met:
de metalen kastconstructie,
de DC-negatieve pool,
het AC-nulpunt,
en de externe aardingsrail (aanbevolen weerstand ≤ 4 Ω).

Figuur 2-37 Aardings- en potentiaalvereffeningsstructuur
In installaties met meerdere BOLT-kasten of PowerHub-units moet een gemeenschappelijk aardingssysteem worden gebruikt.
2.5.4 Communicatieverbindingen
Het elektrische systeem ondersteunt zowel bekabelde als draadloze communicatieprotocollen voor monitoring en controle:
| Protocol | Toepassing |
|---|---|
| RS485 (Modbus RTU) | Interne communicatie tussen batterijmodules, BMS, PCS, DCDC en branddetectie. |
| Ethernet (Modbus TCP) | Externe communicatie met EMS, SCADA of cloudplatforms. |
| CAN 2.0B | Snelle datacommunicatie tussen kritieke vermogensmodules. |
| IOT-module (optioneel) | Voor dataverzameling, remote access en firmware-updates (OTA). |

Figuur 2-38 Communicatie- en bekabelingsschema
De communicatiekabels dienen afgeschermd en getwist te worden om storingsinvloeden te voorkomen.
De standaard maximale kabellengte voor RS485-communicatie bedraagt ≤ 1200 m.
2.5.5 Veiligheidsvoorzieningen
Het elektrische systeem van de BOLT-serie bevat diverse beveiligingsniveaus:
Overspanningsbeveiliging (SPD) op AC- en DC-zijde
Aardlekbeveiliging en overstroomonderbrekers
Isolatiedetectie in de HV-controlling box
Automatische uitschakeling bij kortsluiting, overtemperatuur of overbelasting
Interlocks tussen deur en voedingsschakelaars om spanning onder belasting te voorkomen
Waarschuwing:
Het is verboden om bedrading te wijzigen of beveiligingscomponenten te verwijderen zonder toestemming van de fabrikant.
Ongeautoriseerde wijzigingen kunnen leiden tot ernstig letsel of brandschade.
2.5.6 Controle en monitoring
Alle elektrische parameters — spanning, stroom, SOC (State of Charge), temperatuur en statusmeldingen — worden continu gemeten en weergegeven via:
het HMI-scherm op de kast,
de EMS Box,
en optioneel via de Boltainer Cloud voor remote monitoring.
De gegevens worden opgeslagen en kunnen worden geëxporteerd voor onderhoudsanalyses of prestatie-evaluaties.
2.6 Systeemwerking
Het BOLT-systeem is ontworpen voor veilig, automatisch en flexibel bedrijf binnen uiteenlopende toepassingen — zoals peak-shaving, zelfverbruik, noodstroomvoorziening en dynamische energiehandel.
Het systeem ondersteunt zowel on-grid (verbonden met het elektriciteitsnet) als off-grid (eilandbedrijf) werkingsmodi en kan autonoom schakelen bij netuitval.
2.6.1 Overzicht van de bedrijfslogica
Het BOLT-energiesysteem bestaat uit drie hoofdlogische subsystemen:
Energieopslaggedeelte – beheerd door het Battery Management System (BMS), dat spanning, temperatuur, laadstatus en celgezondheid bewaakt.
Energieconversie – uitgevoerd door de Power Conversion System (PCS), die wisselt tussen AC ↔ DC-omzetting voor netkoppeling of noodstroom.
Systeemcontrole en communicatie – gecoördineerd door het Energy Management System (EMS) en het Human-Machine Interface (HMI), verantwoordelijk voor energiesturing, statusbewaking en externe communicatie.

Figuur 2-39 Systeembedrijfslogica van het BOLT-energiesysteem
2.6.2 Opstartprocedure
Volg de onderstaande stappen strikt om het systeem veilig te starten.
Voorbereiding
Controleer dat de installatie is voltooid en alle verbindingen correct zijn.
Controleer omgevingscondities (temperatuur, vochtigheid, ventilatie).
Verifieer correcte aarding; geen spanning op open klemmen.
Hulpspanning inschakelen
Zet de hulpspanning (24 V DC) aan; HMI en interne besturing starten.
Groen knipperend statuslampje → stand-by-modus.
Batterij inschakelen
Activeer de batterij-hoofdschakelaar of DC-circuitbreaker.
BMS voert een zelftest uit en controleert celstatus.
Spanning verschijnt op de DC-bus.
PCS inschakelen
Zet de PCS via het HMI-paneel aan of lokaal op de module.
De PCS synchroniseert automatisch met het net (on-grid) of met de belasting (off-grid).
Zodra synchronisatie is voltooid → bedrijfstoestand.
Controle via HMI / EMS
Controleer systeemstatus: spanning, stroom, SOC, temperatuur.
Activeer de gewenste bedrijfsmodus.
Let op:
De volgorde Hulpspanning → Batterij → PCS moet strikt worden aangehouden.
Een verkeerde volgorde kan tot systeemfouten of overspanning leiden.

Figuur 2-40 Opstartvolgorde van het BOLT-systeem
2.6.3 Afsluitprocedure
Stop de PCS via HMI of EMS.
Schakel de DC-schakelaar van de batterij uit.
Schakel de hulpspanning uit.
Controleer dat alle indicatoren zijn gedoofd.

Figuur 2-41 Afsluitvolgorde van het systeem
2.6.4 Bedrijfsmodi
Het systeem ondersteunt meerdere instelbare modi:
| Modus | Beschrijving |
|---|---|
| On-grid | PCS synchroniseert met het net en regelt het vermogen volgens EMS. |
| Off-grid / Eilandbedrijf | PCS levert spanning en frequentie lokaal aan de belasting. |
| Back-upmodus | Automatische omschakeling bij netuitval; herstart na spanningsherstel. |
| Peak-shaving / Load-management | Batterij wordt gestuurd om piekbelasting te verminderen. |
| PV-prioriteitsmodus | PV-energie wordt eerst gebruikt om de batterij te laden of de belasting te voeden. |

Figuur 2-42 Bedrijfsmodi en energiestromen
2.6.5 HMI-bediening
Het Human-Machine Interface (HMI) geeft realtime-informatie over systeemstatus en alarmsituaties.
Belangrijkste functies:
Weergave van spanning, stroom en vermogen
SOC- en temperatuurmonitoring
Start/Stop-bediening (lokaal)
Alarm- en foutlogboek
Parameterinstellingen (alleen voor geautoriseerd personeel)
In lokale modus heeft de operator directe controle.
In remote modus (EMS-gestuurd) worden handmatige acties overschreven.

Figuur 2-43 Voorbeeld van het HMI-bedieningsscherm
2.6.6 EMS-integratie
Het Energy Management System (EMS) bestuurt het totale energiegedrag van de installatie.
Communicatie verloopt via Modbus TCP of RS485 (Modbus RTU) tussen de BOLT-cabine en andere energiebronnen zoals PV-omvormers of generatoren.
Functies van het EMS:
Dynamische vermogensregeling en balans met het net
Dataverzameling en foutdiagnose
Coördinatie van meerdere BOLT-eenheden
Ondersteuning van API-koppelingen en OTA-updates

Figuur 2-44 Integratieschema van het EMS-systeem
2.6.7 Automatische veiligheidsreacties
Het systeem reageert automatisch op afwijkingen om schade of gevaar te voorkomen:
Overspanning / onderspanning → PCS schakelt uit
Overtemperatuur → vermogen wordt verlaagd of systeem stopt
Kortsluiting / isolatiefout → DC-schakelaar opent
Brand / rookdetectie → systeem stopt en brandblussing wordt geactiveerd
Alle gebeurtenissen worden geregistreerd en zijn uitleesbaar via HMI en EMS.

Figuur 2-45 Automatisch veiligheidsreactieschema
Was dit artikel nuttig?
Dat is fantastisch!
Hartelijk dank voor uw beoordeling
Sorry dat we u niet konden helpen
Hartelijk dank voor uw beoordeling
Feedback verzonden
We stellen uw moeite op prijs en zullen proberen het artikel te verbeteren