Algemene veiligheidsvoorschriften
Roken en open vuur in de nabijheid van de batterij zijn ten strengste verboden.
De installatieplaats moet zijn uitgerust met goedgekeurde blusmiddelen, zoals bluszand en CO₂-brandblussers.
Gebruik uitsluitend geïsoleerd gereedschap en goedgekeurde persoonlijke beschermingsmiddelen om risico op elektrocutie of kortsluiting te voorkomen.
De kabelschoeven en koperen railverbindingen moeten worden vastgezet met het in deze handleiding opgegeven aanhaalmoment. Controleer regelmatig op corrosie, roest of vervuiling en reinig indien nodig.
Een onvoldoende vastgedraaide verbinding kan leiden tot hoge overgangsweerstanden, waardoor bij hoge stromen oververhitting en zelfs brandschade aan de batterij kan ontstaan.
Bij het op maat maken van kabels moet dit op afstand van de apparatuur gebeuren, om te voorkomen dat kabelresten of metaalsnippers in het systeem terechtkomen en schade of letsel veroorzaken.
Toelichting:
De kleurcodering van kabels in de elektrische schema’s in dit hoofdstuk is uitsluitend ter illustratie.
De werkelijke kabelkeuze en markering moeten voldoen aan de lokale normen (de geel/groene kabel mag uitsluitend worden gebruikt als beschermingsaarde).
8.1 Kabelvoorbereiding
Toelichting:
De selectie van de kabeldiameter moet voldoen aan de lokale kabelvoorschriften.
Bij de keuze van kabels dienen de volgende factoren in acht te worden genomen:
Nominale stroomsterkte
Kabeltype en installatiemethode
Omgevingstemperatuur
Maximale toegestane spanningsval of lijnverlies
Aanbevolen kabelspecificaties
| Naam | Aanbevolen type | Aderdoorsnede (bereik) | Eindaansluiting |
|---|---|---|---|
| Netwerkkabel | CAT 5E, buitentoepassing, afgeschermd, weerstand ≤ 1,5 Ω/10 m | — | RJ45-stekker (afscherming) |
| RS485-communicatiekabel (bij koppeling tussen systemen) | RVVSP 2 × 0,5 mm² | ≥ 0,5 mm² | Hulscontact E0510 |
| AC-kabel | YJV 0,6/1 kV | 100 kW: ≥ 3 × 95 + 2 × 50 mm² 50 kW: ≥ 3 × 70 + 2 × 35 mm² | SC95-8 / SC70-8 / SC50-8 / SC35-8 |
| PV-kabel (DC-zijde) | XLPE | ≥ 50 mm² | SC50-8 |
Kabelinvoer
De kabelinvoeropeningen bevinden zich aan de onderzijde van het elektrische compartiment (zie Figuur 8-1).
Voorbeeldindeling:
Communicatiekabelpoort
Belastingsaansluiting
Aardingsaansluiting
Netvoedingsaansluiting
PV-invoer 1
PV-invoer 2
Figuur 8-1
Aanbevelingen:
Leid de kabels via een kabelgoot of kabelsleuf aan de onderzijde van de kast naar binnen.
De onderzijde van de kast is voorzien van een verwijderbare afdekplaat (baffle) voor de kabelinvoer.


8.2 Installatie van de aardingskabel
Systeemconfiguratie
Het energiesysteem maakt gebruik van een 3P4W + PE-aansluitwijze, wat overeenkomt met een TN-S-netconfiguratie (neutraal rechtstreeks geaard).
Volgens de voorschriften uit BS 7671 en GB 50217 geldt het volgende:
De nulgeleider (N) en de beschermingsgeleider (PE) moeten gescheiden worden aangelegd.
Alle aanraakbare geleidende delen van de installatie moeten via de hoofdaardingsrail met de beschermingsgeleider worden verbonden.
Elektrische installaties in een TN-laagspanningssysteem moeten dezelfde aardingsinstallatie gebruiken als het voedingssysteem.
Het interne ontwerp van de BOLT voorziet in een continue elektrische verbinding tussen het hoofd-aardingspunt in de verdeelruimte (aansluiting voedingsnet) en de aardrail in de energieopslagkast (zie Figuur 8-2).
De doorsnede van de aardingsgeleider moet voldoen aan de eisen uit Tabel 8-1.

Figuur 8-2
Tabel 8-1 – Vereisten voor de doorsnede van de aardgeleider
| Doorsnede hoofdstroomgeleider S (mm²) | Doorsnede beschermingsgeleider Sp (mm²) |
|---|---|
| S ≤ 16 | Sp = S |
| 16 < S ≤ 35 | Sp = 16 |
| 35 < S | Sp = S / 2 |
Opmerking:
De waarden in deze tabel gelden alleen indien de beschermingsgeleider is vervaardigd uit hetzelfde metaal als de hoofdstroomgeleider.
Conform IEC 62109-1, sectie 7.3.6.3.4.
Aardingspunten en montage

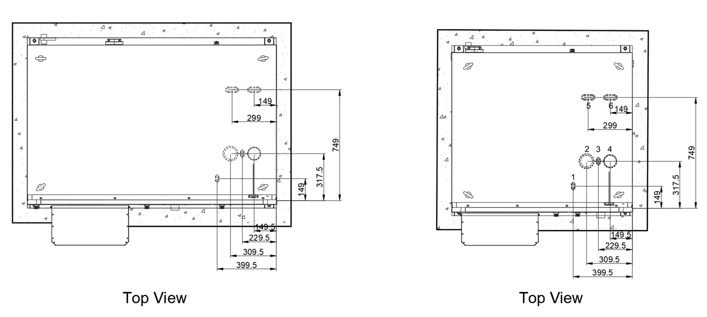
Figuur 8-3 Externe aardingslocaties van de kast
Zowel aan de voorzijde als aan de achterzijde van de kast zijn aardingsaansluitpunten voorzien.
Kies het aardpunt dat het best aansluit bij de plaatselijke installatiecondities.In het verdeel- en energiesysteem van de BESS dient een redundante aarding te worden toegepast.
De totale aardingsweerstand van de installatie moet ≤ 4 Ω bedragen.
8.3 Installatie van Communicatiekabels (optioneel)

Figuur 8-4 Locatie van de externe communicatie-interface
Overzicht van aansluitpunten
| Positie | Aansluitpunt | Aanbevolen kabel | Opmerkingen |
|---|---|---|---|
| NET1 | RJ45 | Netwerkkabel | Externe interface voor klantsturing (FM RJ45-interface, datalezing); FM of klant EMS via RS485#2 optioneel. |
| NET2 | RJ45 | Netwerkkabel | Externe interface voor datalezing. |
| NET3 | RJ45 | Netwerkkabel | IoT-netwerkinterface. |
| RS485#1 | E0510 | Afgeschermde getwiste ader 2 × 0,5 mm² | Externe RS485-interface 1 (voor klant EMS of frequentiemanagement, alternatief met RJ45#2). |
| RS485#2 | E0510 | Afgeschermde getwiste ader 2 × 0,5 mm² | Externe RS485-interface 2 (voor communicatie met PCC off-grid schakelaar). |
| CAN#1 | E0510 | Afgeschermde getwiste ader 2 × 0,5 mm² | Externe CAN-interface (voor communicatie met PCC off-grid schakelaar). |
| DI1 | E1008 | UL1015 – 18 AWG | Externe nood-I/O-interface. |
| DI2 | E1008 | UL1015 – 18 AWG | PCS off-grid signaalaansluiting (voor communicatie met PCC off-grid kast). |
| 24V | E1008 | UL1015 – 18 AWG | Externe 24V-voedingsinterface met twee circuits (+, –, +, – van links naar rechts). |
8.3.1 Twee BOLT-units met EMS
RS485-bekabeling
Bij meerdere BOLT-systemen met een externe EMS wordt een seriële RS485-verbinding toegepast.
De aansluitwijze is als volgt:
RS485#1 van BOLT 1 → RS485#1 van BOLT 2 → RS485#1 van BOLT 3 (enzovoort).
Hiermee kunnen meerdere BOLT-units via één communicatiekanaal met de EMS worden gekoppeld.
8.3.2 Meerdere BOLT-units met PowerHub
RS485-bekabeling
De RS485-communicatie van elke BOLT wordt verbonden met de PowerHub volgens de aanwijzingen in Figuur 8-5.

TCP/IP-bekabeling
De Ethernet-interfaces van de BOLT-units worden parallel aangesloten op de interne switch van de PowerHub.


Figuur 8-5 – Externe communicatie-interface PowerHub
| Nr. | Naam | Functie |
|---|---|---|
| 1 | JP1 | RS485-communicatie – verbinding met energieopslagkast |
| 2 | JP2 | RS485-communicatie – gereserveerde aansluiting |
| 3 | JP3 | RS485-communicatie – gereserveerde aansluiting |
| 4 | JP4 | Externe nood-I/O-interface |
| 5 | JP5 | Externe nood-I/O-interface |
| 6 | Netwerkpoort overspanningsbeveiliging | Systeemcontrole-interface |
| 7 | Netwerkpoort overspanningsbeveiliging | EMS-netwerkinterface |
| 8 | Switch | Dataleesinterface – verbindt netwerk van energieopslagkasten |
8.3.3 Enkele BOLT gekoppeld aan PCC
De communicatie tussen een enkele BOLT en de PCC (on/off-grid kast) gebeurt via:
RS485-kabel
CAN-bus
Off-grid signaalkabel
Alle verbindingen worden volgens de standaardconnectoren op de PCC aangesloten.

8.3.4 Meerdere BOLT-units gekoppeld aan PCC
Bij meerdere BOLT-units worden RS485, CAN, en off-grid signaalkabels in parallelle ketenconfiguratie aangesloten om één gecoördineerde communicatieverbinding met de PCC te vormen.

8.3.5 BOLT aangestuurd door klant-EMS
De klant kan kiezen tussen twee communicatiemethoden:
RS485-bekabeling
TCP/IP-bekabeling
A. Enkele BOLT
RS485-verbinding: directe aansluiting tussen EMS en RS485#1 van de BOLT.

TCP/IP-verbinding: via NET1 of NET2 RJ45-interface.

B. Twee BOLT-units
RS485: EMS → BOLT 1 → BOLT 2

TCP/IP: beide BOLT-units verbonden met de klantswitch (SW).

Toelichting:
SW = klantenswitch (Customer Switch).
8.3.6 Bekabeling voor off-grid toepassingen
Bij off-grid toepassingen moeten de PCS-modules van alle BOLT-units ook met elkaar worden verbonden voor parallelle communicatie.
Stappen:
Verwijder het voorpaneel van de PCS
A. Draai de schroeven van de stofkap los.

B. Schuif de stofkap naar rechts.

C. Verwijder de stofkap volledig.

Verbind de communicatiekabel
Het parallelle communicatiepunt is gemarkeerd met groen (zie figuur).

Gebruik afgeschermde twisted-pair (STP)-kabels om de PCS-modules onderling te verbinden.
De PCS’en zijn vanuit de fabriek al voorbereid voor parallelle bekabeling.

Belangrijke richtlijnen:
Het aantal off-grid parallelle PCS-modules mag niet meer dan 3 bedragen.
De maximale kabellengte tussen PCS-units is ≤ 5 meter.
8.4 Installatie van Vermogenskabels
8.4.1 Installatie van de AC-voedingskabel (invoerzijde)
Stap 1:
Verwijder de voorste afdekplaat van de AC-circuitbreaker


Figuur 8-6 – Fasevolgorde van de onderste circuitbreaker
Stap 2:
Snijd de rubberen kabeldoorvoer open zodat de kabel door de doorvoer kan worden geleid.
Let op:
De rubberen doorvoerring beschermt de kabelisolatie tegen slijtage aan de scherpe randen van het metaal.
Gooi de rubberen doorvoer niet weg.
Stap 3:
Monteer de aarding op de aardrail binnen in de kast.
Stap 4:
Sluit de AC-voedingskabel aan op de koperen busbar aan de onderzijde van de circuitbreaker.
Het vereiste aanhaalmoment bedraagt 10 N·m.
Let op:
De bedrading moet strikt worden uitgevoerd volgens de fasevolgorde die is aangegeven op de onderste koperen busbar van de circuitbreaker.
Voor netgekoppelde, handmatige parallelle en off-grid toepassingen hoeft alleen de rechter AC-circuitbreaker (MCCB1) te worden aangesloten.
Voor automatische net-parallelle en off-grid toepassingen:
MCCB1 (rechterzijde) wordt verbonden met het net.
MCCB2 (linkerzijde) wordt verbonden met de belasting (load).
Stap 5:
Voer een aanhaalmomentcontrole uit op alle kabelverbindingen.
Het vereiste moment bedraagt 10 N·m.
Stap 6:
Plaats de afdekplaat van de circuitbreaker terug.
8.4.2 Installatie van de PV-invoerkabels (DC-zijde)
Stap 1:
Verwijder de achterste afdekplaat van de fotovoltaïsche circuitbreaker


Figuur 8-7 Polarisatie van de koperen busbar aan de onderzijde van de PV-circuitbreaker
Stap 2:
Snijd de rubberen kabeldoorvoer open zodat de kabel door de opening kan worden geleid.
Let op:
De rubberen doorvoerring beschermt de isolatie van de kabel tegen beschadiging door scherpe metalen randen.
Verwijder de rubberen doorvoer niet na montage.
Stap 3:
Verbind de aardingskabel met de aardrail in de kast.
Stap 4:
Sluit de DC-voedingskabel aan op de koperen busbar aan de onderzijde van de PV-circuitbreaker.
Het vereiste aanhaalmoment bedraagt 10 N·m.
Let op:
De bekabeling moet strikt worden uitgevoerd volgens de polariteitsaanduidingen (+/-) die zijn gemarkeerd op de onderste busbar van de PV-circuitbreaker.
Stap 5:
Controleer het aanhaalmoment op alle aansluitpunten.
Het vereiste moment bedraagt 10 N·m.
Stap 6:
Monteer de afdekplaat van de PV-circuitbreaker terug.
Was dit artikel nuttig?
Dat is fantastisch!
Hartelijk dank voor uw beoordeling
Sorry dat we u niet konden helpen
Hartelijk dank voor uw beoordeling
Feedback verzonden
We stellen uw moeite op prijs en zullen proberen het artikel te verbeteren